OFP401P0189 Color Sensor

This color sensor is capable of evaluating up to three colors simultaneously. A small spot and a large working range are made possible thanks to single-lens optics. All sensor settings can be selected by means of teach-in, as well as via the RS-232 interface. Values generated by the sensor can be read out via the interface or digital switching outputs. The sensor has 3 switching outputs and supplies RGB, XYZ and HSL color values via the interface.
Kód produktu od výrobcu: OFP401P0189
Kód EXIM-TECH OFP401P0189
Výrobca: wenglor sensoric
Dostupnosť: V externom sklade
Dokumentácia: PDF

Cenové úrovne

Množstvo[ks] Cena bez DPH (Cena s DPH)
1+ 907.50€ (1116.23€ )
10+ 845.63€ (1014.75€ )
20+ Na dopyt
* Všetky uvedené ceny sú bez DPH (s DPH) a nie je v nich zahrnutá cena dopravy. Doprava bude pripočítaná k objednávke. Informácie o cene dopravy nájdete v sekcii "Doprava a platba". Podrobné informácie o špeciálnych ponukách sú dostupné v „Akcie“.

Pridaj k objednávke

V sklade [ks]: 0

Dodávky do skladu
Min. množstvo: 1

Ďalšie informácie

Doprava a platba

Radi Vám poradíme:
+421 48 4700 895
technik@eximtech.sk
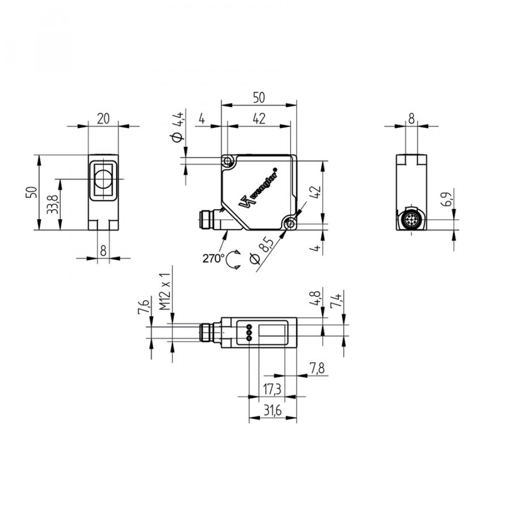
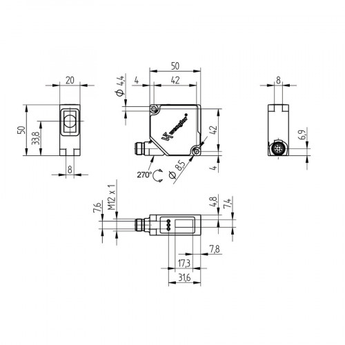
Optical Data
Light Source White Light
Service Life (T = +25 °C) 100,000h
Max. Ambient Light 10,000Lux
Light Spot Diameter 3mm
Working Range 30...40mm
Working Distance 35mm
Electrical Data
Supply Voltage 10...30V
Current Consumption (Ub = 24 V) <80mA
Switching Frequency 1.8kHz
Response Time 1,000/1.8
Temperature Range -25...60°C
Switching Output Voltage Drop 1.5V
PNP Switching Output/Switching Current 100mA
Short Circuit Protection yes
Reverse Polarity Protection yes
Overload Protection yes
Protection Class III
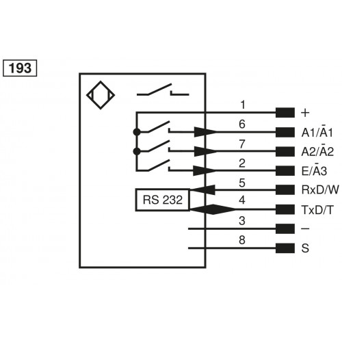
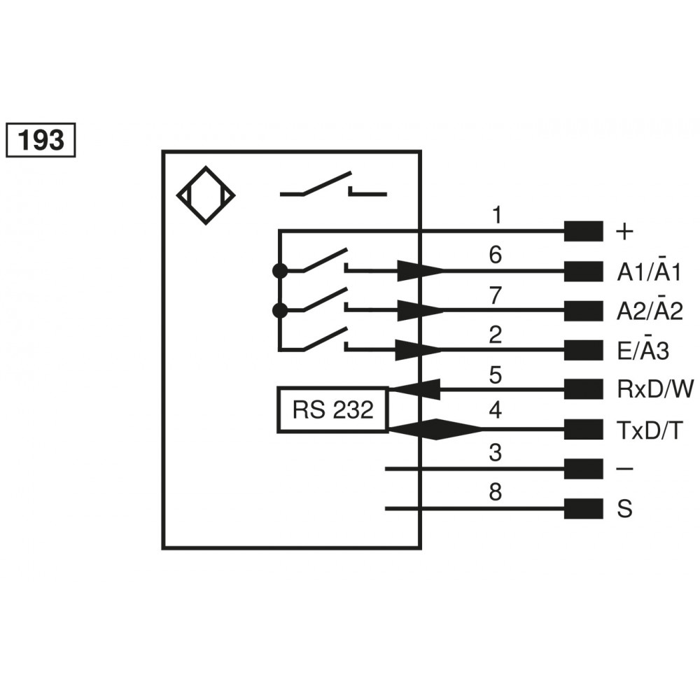
Interface RS-232
Number Of Switching Outputs 3
Teach Mode FT
Number Of Digital Inputs 2
Mechanical Data
Setting Method Menu (OLED)
Housing Material Plastic
Degree Of Protection IP68
Connection M12 × 1; 8-pin
Safety-relevant Data
MTTFd (EN ISO 13849-1) 425.77a
Output
RS-232 Interface yes
Error Output yes
Contamination Output yes
Push-Pull yes
NO yes
Adjustable parameters
Circuit NC NC/NO NO
Output Error Output Push-pull NPN PNP Contamination Output
Other Parameters Teach-in mode

Naša firma

Z EXIM – TECH, s.r.o. vám rýchlo dodáme tovar a pomôžeme vám vyriešiť vaše potreby.

Máme 1 500 druhov tovarov v sklade, pripravené ihneď k dodaniu. Ponúkame 300 000 druhov produktov, pripravených na dodanie podľa podmienok u výrobcov.

Tovar, ktorý máme v sklade, dostanete do 24 hodín. Tovar, ktorý je v sklade u výrobcu, dostanete do 7 dní, v prípade urgentnej potreby ho dostanete leteckým kuriérom do 1-3 dní.

Ak je to potrebné, urobíme analýzu, navrhneme vám riešenie, dáme vám technickú podporu. Poskytujeme záručný a pozáručný servis.

Pridaj sa k nám

Súvisiace produkty